A100 crane rails are widely used in overhead gantry and floor-standing cranes in ports, docks, shipyards, warehouses and other manufacturers.
Kingrail Parts is able to supply a full range of DIN536 crane rails from A45 to A150. Our A100 crane rails are manufactured to DIN standards.
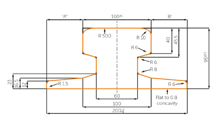
Specification:
| Size | Head (mm) | Height (mm) | Base (mm) | Web (mm) | Nominal weight (kg/m) | Material | Length (m) |
| A100 | 100 | 95 | 200 | 60 | 74.3 | 700/900A/1100 | 10-12 |
Drawing:
Contact Us
Please contact us for more information and quotes.

Inquiry Now