75kg heavy rail is a national standard heavy rail, mainly used for transportation in larger mine tunnels and factory workshops, lifting equipment, laying of railway dedicated lines, etc.
As a professional rail product manufacturer in China, Kingrail Parts supplies and exports high-quality, competitively priced 75 steel rails.
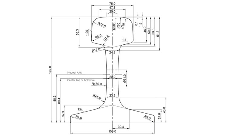
Specifications
Material: U71Mn/U75VX
Weight: 74.64Kg/m
Length: 12-25 meters
Standard: TB2344-2012
|
Size |
Rail Height |
Bottom Width |
Head Width |
Web Thickness |
Weightkg/m |
|
75kg |
192 |
150 |
75 |
20 |
74.64 |
Drawings
Get more services
Please contact us for more information and quotes.

Inquiry Now