60 LB rails are typically used on light cargo or light rail transit lines, but can also be used on less commonly used rails. The 60 lb rail is produced according to the American ASCE standard ASTM A1 and is mainly used in North America. A 60-pound rail may also be called a 60 LB rail, and its weight is 60 pounds per yard. The rail weight of 60 pounds per meter is 29.8kg, which is equivalent to 29.8kg/m.
Kingrail Parts has decades of rail production experience and can supply light rail types from 12 lb/yd (6.0 kg/m) to 90 lb/yd (44.6 kg/m) and stock lengths of 6-12 meters, It can also be customized according to customer needs. In addition to 60 lb rails, Kingrail Parts also offers 100 lb/yd and more American Standard heavy duty and crane rails, 115 lb rails and 136 lb rails for sale.
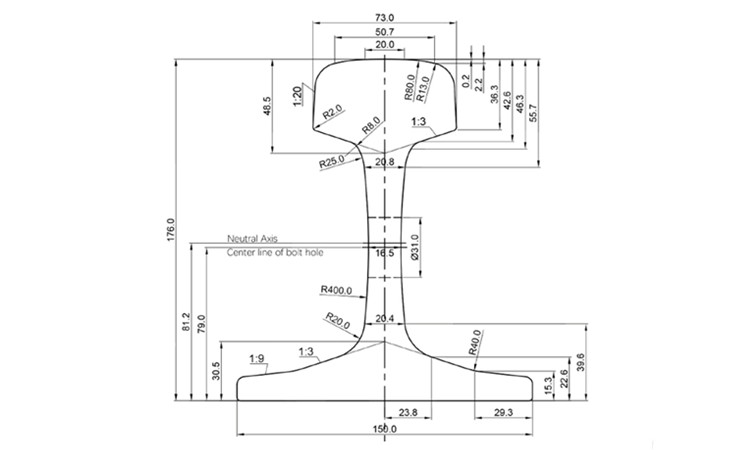
Dimensions in mm
| Type | Head Width(mm) | Rail Height(mm) | Base Width(mm) | Web Thickness(mm) | Weight(kg/m) |
|---|---|---|---|---|---|
| 60 LBS Rail(ASCE 60) | 60.32 | 107.95 | 107.95 | 12.3 | 29.76 |
Specifications
| Rail Type: | 60 LBS Rail (ASCE 60) |
|---|---|
| Nominal Weight(lbs/yd) | 60 |
| Standard Length | 20', 30', 33' & 40' |
| Standard Drilling: | 2-1/2''×5'' with 15/16'' dia. holes |
| Rail Joint Length: | 20'' |
| Rail Joint Weight: | 13 lbs/pr with hardware: 16 lbs/pr |
| Rail Bolt: | 3/4''×4'' |
Drawings

Inquiry Now