The 60E1 (UIC60) rail model is manufactured according to European standard EN 13674-1. It is used in railway construction. This is a T-section rail (flat bottom rail) with a mass of 60.21 kg per meter. For standard rails, 60E1/UIC60 rails are used for medium and heavy traffic.
Specification:
Length: 12 to 25 meters
Unit weight: 60.21 kg/m
Production standard: UIC860
Delivery Inspection Standard: EN13674 Qualification Test and Acceptance Test
Material: R900A/R1100
Hardness: R260, R320
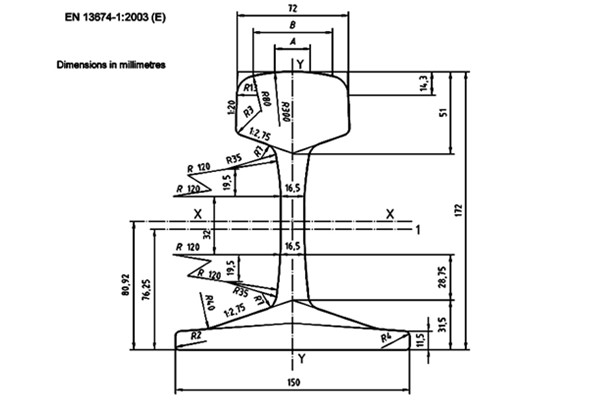
Dimensions:
| Type of Rail | Standard | Dimensions (mm) | Section S | Mass m | ||||
| H | B | C | D | E | cm² | kg/m | ||
| European standard EN 13674-1 | ||||||||
| 60E1 (UIC60) | EN 13674 - 1 | 172,00 | 150,00 | 72,00 | 51,00 | 16,50 | 76,70 | 60,21 |
Mechanical properties:
| Standard | Steel Grades | Mechanical Properties | ||
| Rm MPa | min A5 % | HB | ||
| EN 13674 - 1 (2006) | ||||
| R200 |
min 680 |
14 | 200 - 240 | |
| R260 |
min 880 |
10 | 260 - 300 | |
| R260 MN |
min 880 |
10 | 260 - 300 | |
| R350 HT |
min 1175 |
9 | 350 - 390 | |
Drawing:

Inquiry Now