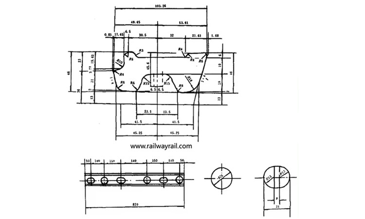
GOST P50 rail fish plate (joint bar) is used to connect to two adjacent rail sections.
Kingrail Parts can provide high quality P50 fish plate. We can make fish plates as customers’ specifications and drawings..
Specifications:
Material: 50# & 55#
Holes: 4 holes & 6 holes
Weight: 15 -24kg/pc
Standard: TB/T 2345-2008,GOST
Drawing:
Contact us
Please contact us for more information and quotes.








Inquiry Now