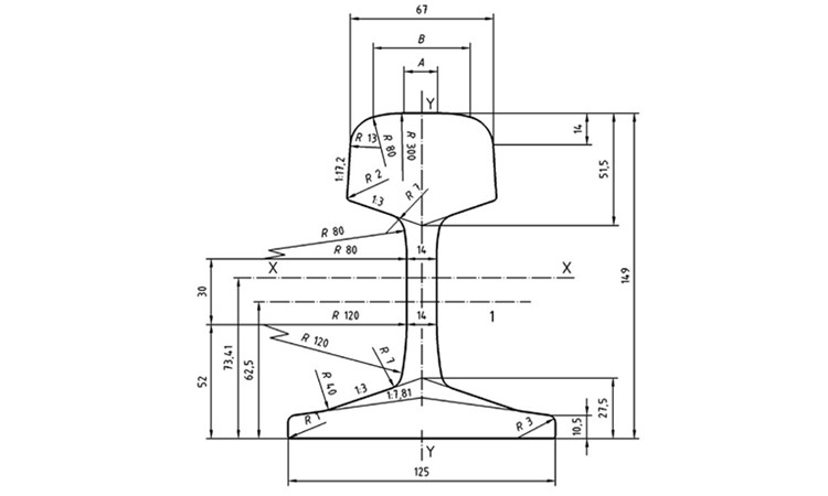
The 49E1 (S49) rail is manufactured according to European standard EN 13674-1 and has a mass of 49,39 kg per meter.
49E1 rails are mainly used for transporting railway rails and can also be used for underground mining. Kingrail Parts can also provide EN standard rails, including 60E1 rails, UIC60 rails, 54E1 rails, UIC54 rails, etc.
Specifications:
|
Type |
Dimension (mm) |
Weight (kg/m) |
Material |
Length (m) |
|||
|
Head |
Height |
Bottom |
Web |
||||
|
49E1 (S49) |
67 |
149 |
125 |
14 |
49.39 |
R260/R350HT |
12-25 |
Drawings:








Inquiry Now